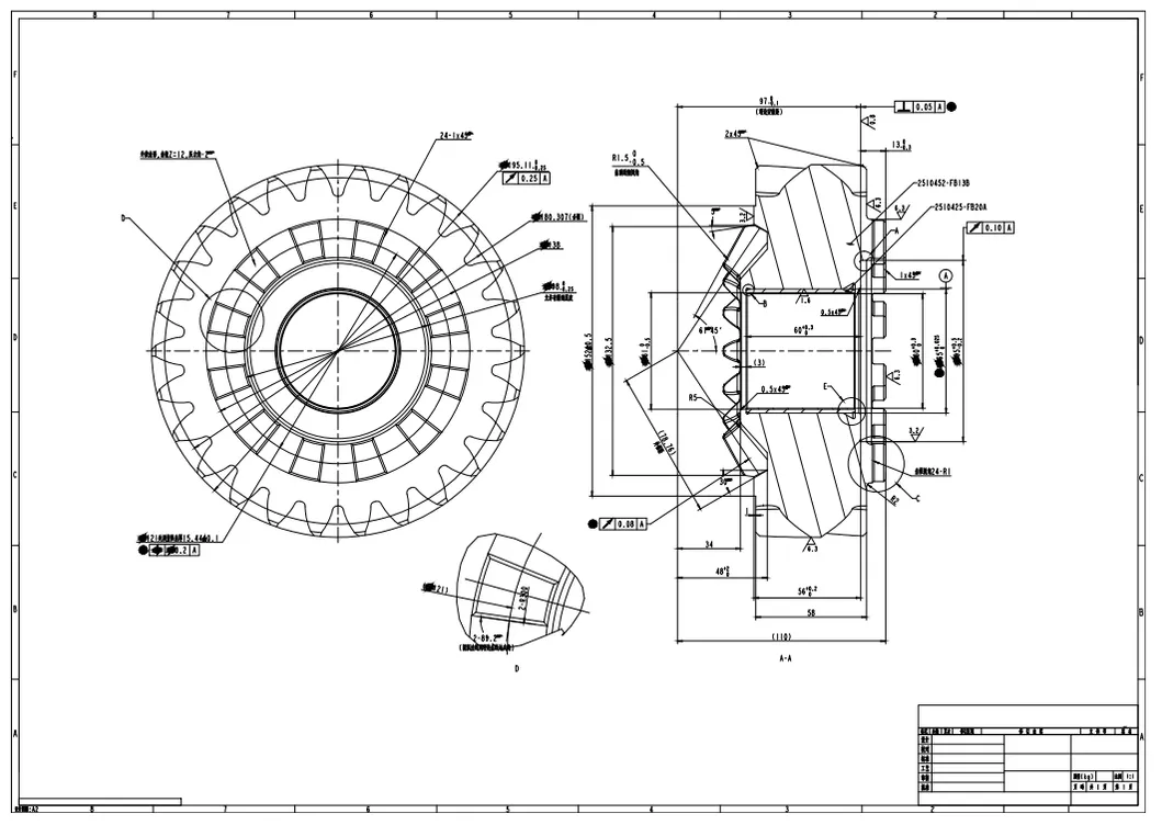
Molds are essential tools in manufacturing, designed to shape materials like metal, plastic, or glass into precise products. Crafted from high-strength materials such as tool steel, they feature complex structures to meet diverse production needs. With high precision and durability, molds ensure consistent quality across large production volumes, making them key to efficient and reliable manufacturing processes.
| Available Materials | AL: 5052/6061/6063, Carbon Steel: Q235B/Q345, Stainless steel: 304/316 |
| Surface Finish | Paint spraying, Power coating, Anodized, Polishing, Sandblasting, Passivation |
| Process | Turning, milling, grinding, CNC machining |
| Certifications | ISO9001, ISO 45001, ISO14001, IATF16949 |






We specialize in OEM manufacturing, providing high-quality, customized products.
We specialize in providing high-quality custom manufacturing solutions with a focus on precision metal and plastic processing. With years of expertise in the mechanical industry, we cater to a diverse range of sectors, offering services that include sheet metal fabrication, machining, casting, and injection molding.
Our commitment to excellence is reflected in every product we deliver. We understand the importance of quality, fast delivery, and flexibility, offering competitive pricing and low minimum order quantities (MOQ). Located in a major manufacturing hub, we are equipped with state-of-the-art machinery and a robust quality control system.







